KXT型可曲挠橡胶接头
产品型号:
产品产地:
发布日期:2023-08-17
浏览次数:
  • 详细资料
  • 规格参数
  • 包装

产品特性:

可曲挠橡胶接头又称作避震喉、软接头、橡胶软连接、管道减震器等。解决各种管道的经口偏移,轴向伸缩及不同心度,一般常用于民用建筑给排水工程,消防管网泵房机组管道承接,污水处理管道连接,高压气液化工介质运输,石油,船舶等。是当今世界管道配件最为常用的一种橡胶接头。具有降低管道噪音、密封性好、重量轻、安装维修方便、使用寿命长等优点。

主要用途:

可广泛用于供水排水、循环水、暖通空调、消防、造纸、制 药、石油化工、船舶、水泵、压缩机、风机等管道系统。普通型用于输送一 15°C〜115°C的空气、压缩空气、水、海水、油、酸、碱等。特殊型用于输送 -30°C〜250°C以上的上述介质或油、浓酸浓碱、固态物料。

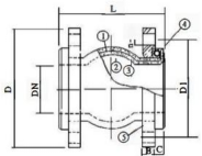
示意图:Illustration
1: 主 体 Themes
2:  内 衬 Lining
3: 骨架 skeleton
4. 法 兰 Flange
注:此法兰为开槽法兰
This      flange      is      grooved

image.png

技术条件 Technical conditions

项目ltem

型号Model

KXT-1

KXT-2

KXT-3

工作压力MPa(kgf/cm2)Working pressure

1.0(10)

1.6(16)

2.5(25)

爆破压力MPa(kgf/cm2)Expiosion pressure

2.0(20)

3.0(30)

4.5(45)

真空度KPa(mm/hg)Vacuum

53.3(400)

86.7(650)

100(750)

使用温度℃ Applicable temperature

-15℃-+80℃三元乙丙橡胶可达110℃

-15-C+80 C three EPDM can reach 110 deg

适应介质Applicable media

空气、压缩空气、水、海水、热水、油、酸碱等

Air, compressed air, water, sea water, hot water, oil, acid and alkali, etc.

主要数据main date

公称通径DN

Nomin al dia m eter

长度

Leng th mm

轴向移位

Axia.dis placement

横向移位

Laterals hift

偏转角度

Deflectior angle

毫米  r m

英寸inch


伸长Extem sion

压缩Compression



DN32

1.25

95

6

9

9

15

DN40

1.5

95

6

10

9

15

DN 50

2

105

7

10

10

15

DN 65

2.5

115

7

13

11

15

DN80

3

135

8

15

12

15

DN100

4

150

10

19

13

15

DN125

5

165

12

19

13

15

DN150

6

180

12

20

14

15

DN200

8

210

16

25

22

15

D N250

10

230

16

25

22

15

D N300

12

245

16

25

22

15

DN350

14

255

16

25

22

15

DN400

16

255

16

25

22

15

DN450

18

255

16

25

22

15

DN500

20

255

16

25

22

15

DN600

24

260

16

25

22

15

DN700

28

260

16

25

22

15

DN800

32

260

16

25

22

15

DN900

36

260

16

25

22

15

DN1000

40

260

18

26

24

15

DN1200

48

260

18

26

24

15

DN1400

56

350

20

28

26

15

DN1600

64

350

25

35

30

15

注: 1、特殊要求可按用户图纸制作,球体可做丁晴、三元乙丙、氯丁橡胶等材质。

2、 悬空给水使用DN200 以上没管道应有固定支撑或固定托架,否则产品应安装法拉脱装置。

3、用户使用橡胶接头所对应的阀门法兰或符合GB/T9115.1(RF)  法兰。


  • 首页

  • 关于我们

  • 产品中心

  • 新闻资讯

  • 应用领域

  • 联系我们

联系方式

服务热线:0534-2581434

地址:山东省德州市经济技术开发区宋官屯街道办事处晶华大道

电话:

信箱:LITEWEI2023 @163.com

网址:www.ltw.group

二维码

扫描二维码

Copyright  ©  2023-  利特威工业装备(山东)有限公司  All Rights Reserved. 备案号:鲁ICP备2023019094号-1 腾云建站仅向商家提供技术服务 网站地图